登录
注册
购物车
(
0
)
最近加入
[name]
¥
[price]
x
[num]
立即结算(
0
)
合计:¥
0.00
共
0
件商品
全部分类
水质监测仪
PH/ORP仪表
电导/电阻仪
溶氧和余氯
仪表电极常用配件
其它仪器仪表
水质分析仪
多参数水质监测仪
浊度计/浓度计
天平仪器
滴定仪
电子秤
流量液位压力
流量计
压力表
液位计
温度变送器
其他仪表配件
压力变送器
其他变送器
物位计
计量泵
电磁隔膜计量泵
机械隔膜计量泵
柱塞式计量泵
液压隔膜计量泵
计量泵配件
其他类型计量泵
液体搅拌机
KD小型搅拌机
D型立式搅拌机
ML型慢速搅拌机
C型移动式搅拌机
其他搅拌器
气动隔膜泵
塑料气动隔膜泵
金属气动隔膜泵
食品级隔膜泵
电子级隔膜泵
隔膜泵配件
成套加药系统
循环水加药装置
RO反渗透装置
干粉投加装置
配电箱定制
非标系统订制
纯水设备
RO膜及膜壳
控制阀门
过滤产品
药箱和储罐
水处理耗材
其它产品
标准溶液
管路配件
泵类产品
螺杆泵
其它
变频器
水泵
离心泵
潜水泵
磁力泵
污水泵
自吸泵
管道泵
增压泵
其他类型泵
风机
鼓风机
离心风机
罗茨风机
高压风机
试剂
缓冲液
标准液
水质检测试剂
水质监测仪
流量液位压力
计量泵
液体搅拌机
气动隔膜泵
成套加药系统
纯水设备
行业博客
气动隔膜泵
〉
金属气动隔膜泵
〉 ARO英格索兰666170-344-C隔膜泵浦1.5寸铝合金气动隔膜泵防酸碱
ARO英格索兰666170-344-C隔膜泵浦1.5寸铝合金气动隔膜泵防酸碱
价格
¥5600.00
品 牌 名 称:
英格索兰
商 品 编 码:
CP00127
规 格 型 号:
666170-344-C
分 类:
泵
小 分 类:
气动隔膜泵
+
-
加入购物车
联系客服获取报价
电话:17317795937
英格索兰ARO 666170-344-C隔膜泵
核心特点
移动性
:紧凑牢固的设计,支持移动式安装和使用。
高效
:气马达专利设计,确保空气运行效率。
可靠性
:专利技术“不平衡”气阀设计,确保无停机运行。
多功能性
:提供铝合金、铸铁、不锈钢等多种泵体材质,满足不同应用需求。
环保
:螺栓结构可避免在运送流体时出现泄漏。
易维护性
:模块化设计,便于维修和修理。
技术参数
比率
:1:1
最大流量
:90 g.p.m. (340.7 l.p.m.)
每循环排量
:0.64 加仑 (2.42 升)
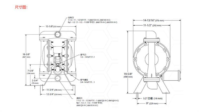
进气口(内螺纹)
:1/2-14 NPTF-1
进液口/出液口
:1-1/2 11-1/2 NPTF-1 或 Rp1-1/2 (1-1/2-11 BSP平行)
最大工作压力
:120 psi (8.3 bar)
可通过最大悬浮固体直径
:1/4 英寸 (6.4 mm)
重量(铝合金)
:51.5 磅 (23.4 kg)
最大干吸高度
:19 ft (5.8 m)
噪音等级
:70 PSI、60循环/分钟时 80.5 dB(A)
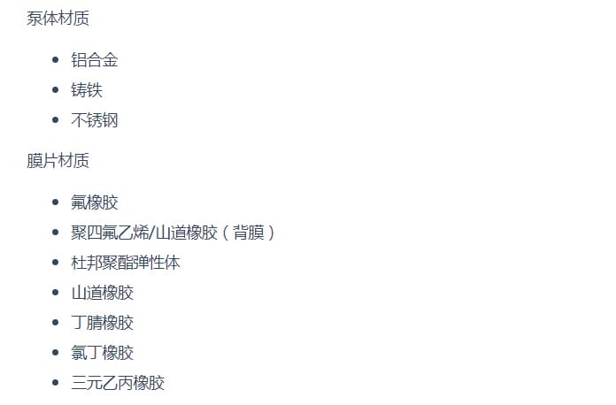
泵体材质
:铝合金、不锈钢、铸铁
膜片材质
:氟橡胶、聚四氟乙烯/山道橡胶、杜邦聚酯弹性体、山道橡胶、丁腈橡胶、氯丁橡胶、三元乙丙橡胶
应用行业
化工行业(防酸碱输送)
石油、制药、食品加工
水处理、环保工程
其他需要输送腐蚀性或高粘度流体的行业
安装条件
泵体需水平安装,确保进液口和出液口连接正确。
进气口连接气源,压力不超过最大工作压力(120 psi)。
根据泵体尺寸(如进液口/出液口1-1/2 NPTF或BSP)准备对应管道。
安装位置应预留足够空间,便于维护和操作。
排气螺纹为3/4-14 NPTF-1,需连接消音器或排气管道。
注意事项
使用前确认泵体材质与输送流体兼容,避免腐蚀。
定期检查膜片、球阀、阀座等易损件,及时更换。
避免在超过最大工作压力下运行。
输送含大颗粒固体时,确保直径小于1/4英寸,防止堵塞。
安装时确保所有螺栓紧固,防止泄漏。
长期停用时,应排空泵内流体并清洗。
关键词:
英格索兰隔膜泵
ARO隔膜泵
666170-344-C隔膜泵
隆胜机械隔膜泵
上海阔思电子有限公司
爱普尔OEM代工
APURE气动隔膜泵
售后保障
商品(50000)
手机社区
相关同类产品
固瑞克Husky 2150 2寸Al气动隔膜泵废水输送泵大流量工业污水泵
分类:金属气动隔膜泵
价格:6300.00
[查看详情]
Skylink斯凯力气动隔膜泵LS80系列不阻塞耐磨污水泵流体运输泵
分类:金属气动隔膜泵
价格:1800.00
[查看详情]
Skylink斯凯力气动隔膜泵LS50系列金属往复式活塞隔膜泵耐磨水泵
分类:金属气动隔膜泵
价格:1500.00
[查看详情]
斯凯力气动隔膜泵LS50 SS-AA-NE-PP-NE-00不锈钢自吸式流体运输泵
分类:金属气动隔膜泵
价格:10925.00
[查看详情]
斯凯力气动隔膜泵LS25系列金属流体输送泵工业不阻塞大流量污水泵
分类:金属气动隔膜泵
价格:2300.00
[查看详情]
斯凯力气动隔膜泵LS40 AA-AA-N-PP-NP-00排污管道泵废水隔膜泵
分类:金属气动隔膜泵
价格:3400.00
[查看详情]
Skylink斯凯力气动隔膜泵LS40系列大流量工业污水泵流体输送泵
分类:金属气动隔膜泵
价格:3990.00
[查看详情]
Skylink斯凯力气动隔膜泵LS15 CS-AA-SP-SP-SP-00流体输送污水泵
分类:金属气动隔膜泵
价格:3700.00
[查看详情]
Skylink斯凯力气动隔膜泵LS15系列不阻塞耐磨流体运输泵气动水泵
分类:金属气动隔膜泵
价格:2000.00
[查看详情]
WILDEN威尔顿气动隔膜泵二寸TZ8系列化工排污泵工业流体输送泵
分类:金属气动隔膜泵
价格:3000.00
[查看详情]
水质监测仪
→
PH/ORP仪表
电导/电阻仪
溶氧和余氯
仪表电极常用配件
其它仪器仪表
水质分析仪
多参数水质监测仪
浊度计/浓度计
天平仪器
滴定仪
电子秤
流量液位压力
→
流量计
压力表
液位计
温度变送器
其他仪表配件
压力变送器
其他变送器
物位计
计量泵
→
电磁隔膜计量泵
机械隔膜计量泵
柱塞式计量泵
液压隔膜计量泵
计量泵配件
其他类型计量泵
液体搅拌机
→
KD小型搅拌机
D型立式搅拌机
ML型慢速搅拌机
C型移动式搅拌机
其他搅拌器
气动隔膜泵
→
塑料气动隔膜泵
金属气动隔膜泵
食品级隔膜泵
电子级隔膜泵
隔膜泵配件
成套加药系统
→
循环水加药装置
RO反渗透装置
干粉投加装置
配电箱定制
非标系统订制
纯水设备
→
RO膜及膜壳
控制阀门
过滤产品
药箱和储罐
水处理耗材
其它产品
→
标准溶液
管路配件
泵类产品
螺杆泵
其它
变频器
水泵
→
离心泵
潜水泵
磁力泵
污水泵
自吸泵
管道泵
增压泵
其他类型泵
风机
→
鼓风机
离心风机
罗茨风机
高压风机
试剂
→
缓冲液
标准液
水质检测试剂
0
电话号码
17317795937
置顶