| 参数名称 | 参数值 |
|---|---|
| 比率 | 1:1 |
| 最大流量 | 100 g.p.m. (378.5 l.p.m.) |
| 每循环排量 | 0.67加仑(2.54升) |
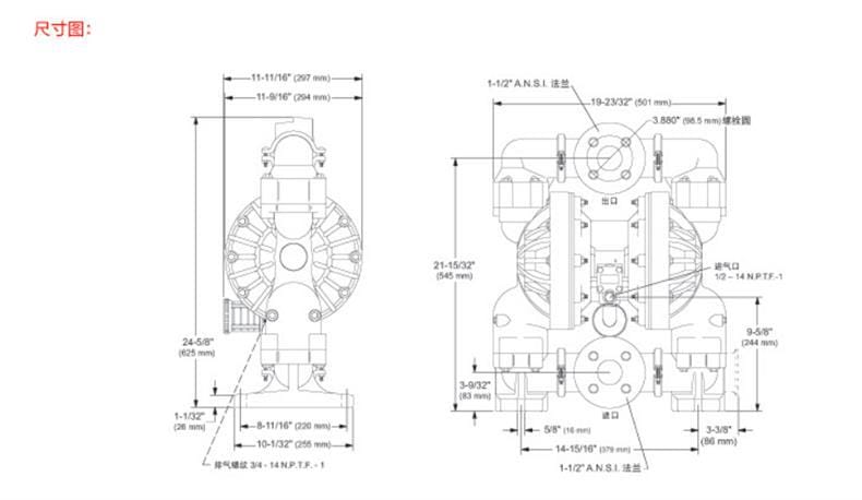
| 进气口(内螺纹) | 1/2-14 N.P.T.F-1 |
| 进液口/出液口 | 1-1/2"A.N.S.I./DIN法兰 |
| 最大工作压力 | 120 psi (8.3 bar) |
| 最大悬浮固体直径 | 1/4 in. (6.4 mm) |
| 重量 | 62 lbs (28.1 kg) |
| (注:如中心体为铸铁材质,需增加23 lbs (10.4 kg)) | |
| 最大干吸高度 | 14 ft (4.27 m) |
| 噪音等级 | 70 PSI, 60循环/分钟, 77.7 db(A) |



