| 参数名称 | 参数值 |
|---|---|
| 产品型号 | SIN-1100 / SIN-1103 |
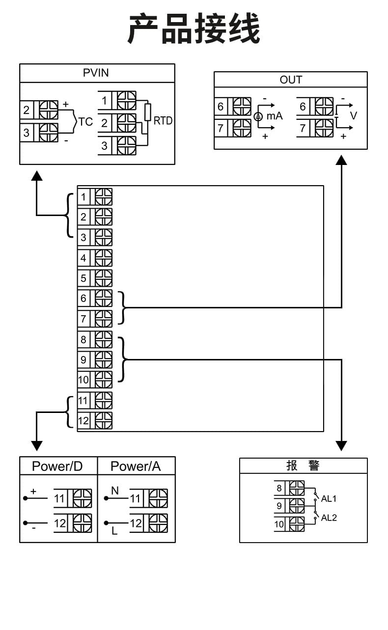
| 输入信号 | 温度、压力、液位、电量等(单回路),支持35种信号输入 |
| 输出功能 | 报警输出、继电器控制输出;0-10mA / 0-20mA / 4-20mA;0-5V / 1-5V / 0-10V 变送输出 |
| 测量精度 | 0.3%FS |
| 显示方式 | 四位LED显示 |
| 安装方式 | 标准卡入式安装 |
| 工作温度 | 0-50°C |
| 相对湿度 | ≤85%RH |
| 供电方式 | AC100~240V (50-60Hz),DC 20~29V |
| 外形尺寸 | A型:16080mm,B型:80160mm,C型:9696mm,D型:9648mm,E型:4896mm,F型:7272mm,H型:48*48mm |
| 开孔尺寸 | 对应外形尺寸减去边框厚度 |
备注:以上内容由杭州联测自动化技术有限公司实验室提供,如有疑问,请联系旺旺客服。

















以上页面中数据,均由我司实验室提供,如有疑问,请联系旺旺客服
杭州联测自动化技术有限公司