登录
注册
购物车
(
0
)
最近加入
[name]
¥
[price]
x
[num]
立即结算(
0
)
合计:¥
0.00
共
0
件商品
全部分类
水质监测仪
PH/ORP仪表
电导/电阻仪
溶氧和余氯
仪表电极常用配件
其它仪器仪表
水质分析仪
多参数水质监测仪
浊度计/浓度计
天平仪器
滴定仪
电子秤
流量液位压力
流量计
压力表
液位计
温度变送器
其他仪表配件
压力变送器
其他变送器
物位计
计量泵
电磁隔膜计量泵
机械隔膜计量泵
柱塞式计量泵
液压隔膜计量泵
计量泵配件
其他类型计量泵
液体搅拌机
KD小型搅拌机
D型立式搅拌机
ML型慢速搅拌机
C型移动式搅拌机
其他搅拌器
气动隔膜泵
塑料气动隔膜泵
金属气动隔膜泵
食品级隔膜泵
电子级隔膜泵
隔膜泵配件
成套加药系统
循环水加药装置
RO反渗透装置
干粉投加装置
配电箱定制
非标系统订制
纯水设备
RO膜及膜壳
控制阀门
过滤产品
药箱和储罐
水处理耗材
其它产品
标准溶液
管路配件
泵类产品
螺杆泵
其它
变频器
水泵
离心泵
潜水泵
磁力泵
污水泵
自吸泵
管道泵
增压泵
其他类型泵
风机
鼓风机
离心风机
罗茨风机
高压风机
试剂
缓冲液
标准液
水质检测试剂
水质监测仪
流量液位压力
计量泵
液体搅拌机
气动隔膜泵
成套加药系统
纯水设备
行业博客
计量泵
〉
电磁隔膜计量泵
〉 普罗名特计量泵CNPB1000工程塑料电磁隔膜泵工业小型小流量加药泵
普罗名特计量泵CNPB1000工程塑料电磁隔膜泵工业小型小流量加药泵
价格
¥1500~2500
品 牌 名 称:
普罗名特
商 品 编 码:
规 格 型 号:
CNPB1000
分 类:
计量泵
小 分 类:
电磁隔膜泵
+
-
加入购物车
联系客服获取报价
电话:17317795937
普罗名特计量泵CNPB1000工程塑料电磁隔膜泵工业小型小流量加药泵
核心特点
结构紧凑
:适合对含氮溶液进行开关控制或比例控制。
安装简便
:可安装到罐子上、墙上或其他设备(如研磨系统、汽车清洗系统、表面处理设备等)。
低运行成本和安装成本
:经济高效。
精确计量
:冲程范围为30%-100%,确保高精度。
低噪音设计
:在1米距离内噪音小于70dB(A)。
多种材质选择
:过流部件采用PP、PVDF等材料,密封件包括EPDM、FPM、PTFE等,满足不同介质需求。
外部控制功能
:支持接收外部控制系统信号。
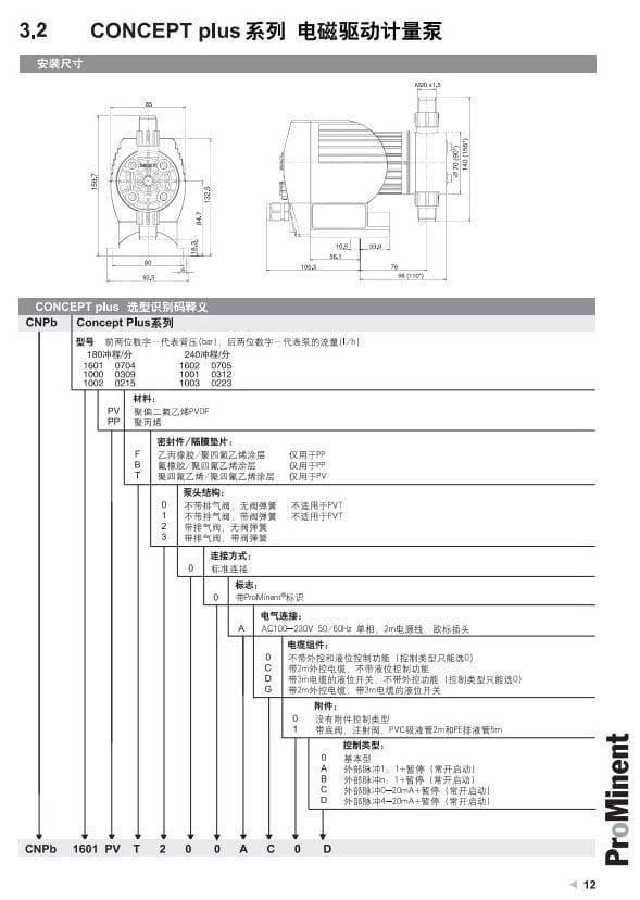
技术参数
参数名称
参数值
流量范围
0.7~23 l/h
压力范围
1.5~16 bar
冲程频率
180/240 冲程/分钟
连接尺寸
外径x内径:6x4 mm 或 8x5 mm
吸程
最大吸程6 mWG
启动吸程
最大启动吸程6 mWG
吸液端最大启动压力
1.8 kg
储藏运输温度
-10 到 50℃
湿度要求
不结露
材质选项
泵头:PP/PVDF;吸/排液阀体:PP/PVDF;密封件:EPDM/FPM/PTFE;阀球:陶瓷
隔膜材质
PTFE
内腔材质
PPE,加强纤维玻璃
应用行业
化工行业
水处理行业
石油天然气行业
食品与饮料行业
制药行业
表面处理设备
汽车清洗系统
研磨系统
安装条件
环境温度
:储藏运输温度需保持在-10到50℃之间。
湿度要求
:安装环境应避免结露。
安装位置
:可以安装在罐子上、墙上或其他设备上。具体安装方式根据实际需求选择。
电源要求
:AC100-230V 50/60Hz 单相,电缆长度通常为2m,配备欧标插头。
连接方式
:标准连接标志或带ProMinant标识的连接方式。
注意事项
测试条件
:吸程和启动吸程的测试条件为单向阀湿润、清洁,测试液体为水(20℃),冲程长度为100%,最大冲程频率,出口为散口,排气阀打开且管路安装正确。
介质适用性
:确保所选材质与输送介质兼容。
定期维护
:建议定期检查泵头、密封件及隔膜的状态,以保证长期稳定运行。
操作安全
:遵循产品使用说明书中的操作规范,避免不当操作导致设备损坏。
环境要求
:确保安装环境符合温度和湿度要求,避免极端环境对设备性能的影响。
关键词:
普罗名特计量泵
CNPB1000电磁隔膜泵
工程塑料计量泵
普罗名特CONCEPT plus系列
上海阔思电子有限公司
售后保障
商品(50000)
手机社区
相关同类产品
SEKO赛高计量泵AMS200电磁隔膜计量泵工程塑料PVDF泵头污水加药泵
分类:电磁隔膜计量泵
价格:5000.00
[查看详情]
SEKO赛高电磁隔膜计量泵DMS200工程塑料加药泵流体输送泵小流量泵
分类:电磁隔膜计量泵
价格:3000.00
[查看详情]
SEKO赛高计量泵TPG600NHP0800数显式电磁驱动PVDF泵头加药隔膜泵
分类:电磁隔膜计量泵
价格:1886.25
[查看详情]
SEKO赛高加药计量泵AKS803NHP0800工程塑料耐酸碱电磁驱动隔膜泵
分类:电磁隔膜计量泵
价格:1112.68
[查看详情]
SEKO赛高计量泵APG500/600/603/800/803电磁隔膜泵PVDF泵头加药泵
分类:电磁隔膜计量泵
价格:800.00
[查看详情]
Seko赛高计量泵TPG500/600/800/803/603电磁隔膜加药泵PVDF泵头
分类:电磁隔膜计量泵
价格:2880.00
[查看详情]
SEKO赛高加药泵AMS/AMM/AML/AMC200/201电磁隔膜计量泵PVDF泵头
分类:电磁隔膜计量泵
价格:450.00
[查看详情]
SEKO赛高计量泵DMS/DML/DMC/DMM200/201电磁隔膜加药泵小型流量泵
分类:电磁隔膜计量泵
价格:520.00
[查看详情]
SEKO赛高电磁隔膜计量泵AKS500/600/603/800/803耐酸碱小型加药泵
分类:电磁隔膜计量泵
价格:2000.00
[查看详情]
SEKO赛高计量泵AKL803/800/600/603/500电磁隔膜加药泵PVDF泵头
分类:电磁隔膜计量泵
价格:800.00
[查看详情]
水质监测仪
→
PH/ORP仪表
电导/电阻仪
溶氧和余氯
仪表电极常用配件
其它仪器仪表
水质分析仪
多参数水质监测仪
浊度计/浓度计
天平仪器
滴定仪
电子秤
流量液位压力
→
流量计
压力表
液位计
温度变送器
其他仪表配件
压力变送器
其他变送器
物位计
计量泵
→
电磁隔膜计量泵
机械隔膜计量泵
柱塞式计量泵
液压隔膜计量泵
计量泵配件
其他类型计量泵
液体搅拌机
→
KD小型搅拌机
D型立式搅拌机
ML型慢速搅拌机
C型移动式搅拌机
其他搅拌器
气动隔膜泵
→
塑料气动隔膜泵
金属气动隔膜泵
食品级隔膜泵
电子级隔膜泵
隔膜泵配件
成套加药系统
→
循环水加药装置
RO反渗透装置
干粉投加装置
配电箱定制
非标系统订制
纯水设备
→
RO膜及膜壳
控制阀门
过滤产品
药箱和储罐
水处理耗材
其它产品
→
标准溶液
管路配件
泵类产品
螺杆泵
其它
变频器
水泵
→
离心泵
潜水泵
磁力泵
污水泵
自吸泵
管道泵
增压泵
其他类型泵
风机
→
鼓风机
离心风机
罗茨风机
高压风机
试剂
→
缓冲液
标准液
水质检测试剂
0
电话号码
17317795937
置顶