| 型号/model | 电压 | 功率(kW) | 扬程(m) | 流量(m³/h) | 进水口 | 出水口 | 国重量(kg) |
|---|---|---|---|---|---|---|---|
| CHL2-20 | 单相/三相220V/380V | 0.37 | 15 | 2 | G1 | G1 | 13 |
| CHL2-30 | 单相/三相220V/380V | 0.37 | 22 | 2 | G1 | G1 | 13 |
| CHL2-40 | 单相/三相220V/380V | 0.55 | 29 | 2 | G1 | G1 | 13 |
| CHL2-50 | 单相/三相220V/380V | 0.55 | 36 | 2 | G1 | G1 | 13 |
| CHL2-60 | 单相/三相220V/380V | 0.75 | 44 | 2 | G1 | G1 | 15 |
| CHL4-20 | 单相/三相220V/380V | 0.37 | 15 | 4 | G1% | G1 | 12 |
| CHL4-30 | 单相/三相220V/380V | 0.55 | 23.5 | 4 | G1% | G1 | 12 |
| CHL4-40 | 单相/三相220V/380V | 0.75 | 31 | 4 | G1% | G1 | 15 |
| CHL8-10 | 单相/三相220V/380V | 0.75 | 9 | 8 | G2 | G2 | 20 |
| CHL8-20 | 单相/三相220V/380V | 0.75 | 18 | 8 | G2 | G2 | 20 |
| CHL8-30 | 单相/三相220V/380V | 1.1 | 27 | 8 | G2 | G2 | 25 |
| CHL8-40 | 单相/三相220V/380V | 1.5 | 35 | 8 | G2 | G2 | 25 |
| CHL8-50 | 单相/三相220V/380V | 2.2 | 45 | 8 | G2 | G2 | 30 |
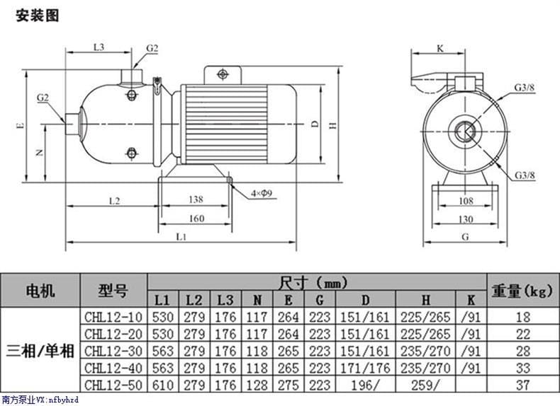
| CHL12-10 | 单相/三相220V/380V | 0.75 | 9.5 | 12 | G2 | G2 | 20 |
| CHL12-20 | 单相/三相220V/380V | 1.2 | 19.5 | 12 | G2 | G2 | 21 |
| CHL12-30 | 单相/三相220V/380V | 1.8 | 29.5 | 12 | G2 | G2 | 25 |
| CHL12-40 | 单相/三相220V/380V | 2.4 | 39.5 | 12 | G2 | G2 | 29 |
| CHL12-50 | 单相/三相220V/380V | 3 | 50 | 12 | G2 | G2 | 34 |
| CHL16-10 | 单相/三相220V/380V | 1.1 | 10.5 | 16 | G2 | G2 | 20 |
| CHL16-20 | 单相/三相220V/380V | 2.2 | 21.7 | 16 | G2 | G2 | 27 |
| CHL16-30 | 单相/三相220V/380V | 3 | 34 | 16 | G2 | G2 | 34 |
| CHL20-10 | 单相/三相220V/380V | 1.1 | 10 | 20 | G2 | G2 | 21 |
| CHL20-20 | 单相/三相220V/380V | 2.2 | 22 | 20 | G2 | G2 | 28 |
| CHL20-30 | 单相/三相220V/380V | 4 | 34 | 20 | G2 | G2 | 42 |
电机参数:
运行条件:









