登录
注册
购物车
(
0
)
最近加入
[name]
¥
[price]
x
[num]
立即结算(
0
)
合计:¥
0.00
共
0
件商品
全部分类
水质监测仪
PH/ORP仪表
电导/电阻仪
溶氧和余氯
仪表电极常用配件
其它仪器仪表
水质分析仪
多参数水质监测仪
浊度计/浓度计
天平仪器
滴定仪
电子秤
流量液位压力
流量计
压力表
液位计
温度变送器
其他仪表配件
压力变送器
其他变送器
物位计
计量泵
电磁隔膜计量泵
机械隔膜计量泵
柱塞式计量泵
液压隔膜计量泵
计量泵配件
其他类型计量泵
液体搅拌机
KD小型搅拌机
D型立式搅拌机
ML型慢速搅拌机
C型移动式搅拌机
其他搅拌器
气动隔膜泵
塑料气动隔膜泵
金属气动隔膜泵
食品级隔膜泵
电子级隔膜泵
隔膜泵配件
成套加药系统
循环水加药装置
RO反渗透装置
干粉投加装置
配电箱定制
非标系统订制
纯水设备
RO膜及膜壳
控制阀门
过滤产品
药箱和储罐
水处理耗材
其它产品
标准溶液
管路配件
泵类产品
螺杆泵
其它
变频器
鼓风机
水泵
离心泵
潜水泵
磁力泵
污水泵
自吸泵
管道泵
增压泵
其他类型泵
水质监测仪
流量液位压力
计量泵
液体搅拌机
气动隔膜泵
成套加药系统
纯水设备
计量泵
〉
电磁隔膜计量泵
〉 普罗名特计量泵CNPB系列电磁驱动泵工业小型隔膜加药泵CNPB1000
普罗名特计量泵CNPB系列电磁驱动泵工业小型隔膜加药泵CNPB1000
价格
¥0.00
市 场 价 格:
0.00
优 惠 价:
0.00
品 牌 名 称:
普罗名特
商 品 编 码:
规 格 型 号:
产 品 名 称:
备 注:
+
-
加入购物车
商品介绍
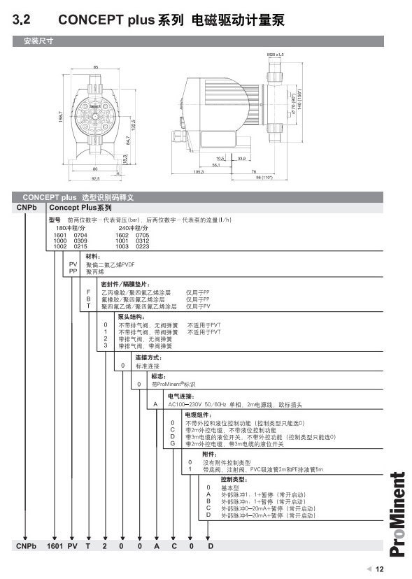
普罗名特(PROMINENT)CONCEPT Plus系列电磁驱动计量泵是一款高性能、低噪音的液体加药设备,适用于对含氮溶液进行开关或比例控制。该系列泵结构紧凑,安装简便,可直接安装于储罐、墙壁或其他设备上,如研磨系统、汽车清洗系统和表面处理设备等。 除手动调节冲程频率外,该泵还支持外部控制系统输入信号,实现自动化运行。其运行和安装成本低,采用PP、PVDF等耐腐蚀材料制造过流部件,密封件可选EPDM、FPM或PTFE,阀球为陶瓷材质,隔膜内层为PTFE,增强纤维玻璃加强的PPE内腔,确保长期稳定运行。 流量范围从0.74至25.2 L/h,背压可达16 bar,具备良好的吸程性能(最高6 mWG),启动吸程表现优异。噪声水平在1米距离处低于70 dB(A),适合对环境要求较高的场合。工作温度范围为-10°C至50°C,湿度要求不结露。 型号命名规则清晰:前两位数字代表最大背压(bar),后两位代表近似流量(L/h)。提供多种配置选项,包括不同泵头材质(PP/PVDF)、排气阀配置、电气连接方式(AC 100-230V, 50/60Hz)以及外控和液位控制功能。 典型型号如CNPB1601-PVT200AC1A,代表16 bar背压、约1.1 L/h小流量、PVDF泵头、带排气阀和弹簧、交流供电、基本型控制等配置,满足多样化工业加药需求。
_x000d_
_x000d_
_x000d_
_x000d_
售后保障
商品(50000)
手机社区
0
电话号码
13817527088
置顶