登录
注册
购物车
(
0
)
最近加入
[name]
¥
[price]
x
[num]
立即结算(
0
)
合计:¥
0.00
共
0
件商品
全部分类
水质监测仪
PH/ORP仪表
电导/电阻仪
溶氧和余氯
仪表电极常用配件
其它仪器仪表
水质分析仪
多参数水质监测仪
浊度计/浓度计
天平仪器
滴定仪
电子秤
流量液位压力
流量计
压力表
液位计
温度变送器
其他仪表配件
压力变送器
其他变送器
物位计
计量泵
电磁隔膜计量泵
机械隔膜计量泵
柱塞式计量泵
液压隔膜计量泵
计量泵配件
其他类型计量泵
液体搅拌机
KD小型搅拌机
D型立式搅拌机
ML型慢速搅拌机
C型移动式搅拌机
其他搅拌器
气动隔膜泵
塑料气动隔膜泵
金属气动隔膜泵
食品级隔膜泵
电子级隔膜泵
隔膜泵配件
成套加药系统
循环水加药装置
RO反渗透装置
干粉投加装置
配电箱定制
非标系统订制
纯水设备
RO膜及膜壳
控制阀门
过滤产品
药箱和储罐
水处理耗材
其它产品
标准溶液
管路配件
泵类产品
螺杆泵
其它
变频器
鼓风机
水泵
离心泵
潜水泵
磁力泵
污水泵
自吸泵
管道泵
增压泵
其他类型泵
水质监测仪
流量液位压力
计量泵
液体搅拌机
气动隔膜泵
成套加药系统
纯水设备
计量泵
〉
电磁隔膜计量泵
〉 普罗名特计量泵CNPB0215微型电磁驱动泵工程塑料流体输送加药泵
普罗名特计量泵CNPB0215微型电磁驱动泵工程塑料流体输送加药泵
价格
¥0.00
市 场 价 格:
0.00
优 惠 价:
0.00
品 牌 名 称:
普罗名特
商 品 编 码:
规 格 型 号:
产 品 名 称:
备 注:
+
-
加入购物车
商品介绍
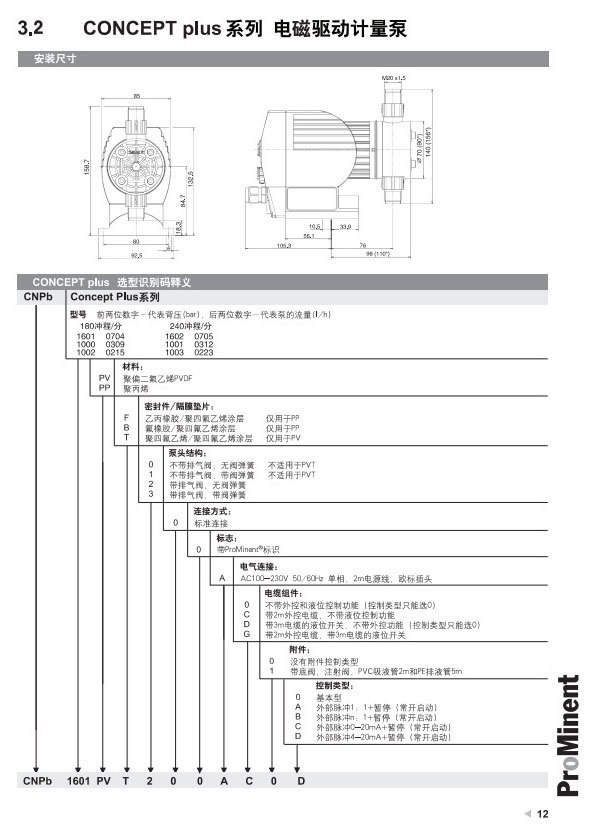
普罗名特(PROMINENT)CONCEPT Plus系列电磁驱动计量泵是一款高性能、低噪音的加药设备,适用于对含氮溶液进行开关或比例控制。该系列泵结构紧凑,安装灵活,可壁挂、罐顶安装或集成于研磨系统、汽车清洗系统及表面处理设备中。 泵支持手动设定冲程频率,也可通过外部信号实现远程控制,兼容多种自动化系统。其运行和安装成本低,维护简便,适合工业连续运行需求。 流量范围覆盖0.7~32 L/h,压力范围可达1.5~25 bar,具备良好的适应性。过流部件材质可选:泵头为PP或PVDF,密封件可配EPDM、FPM或PTFE,阀球采用陶瓷材料,隔膜为PTFE涂层,内腔含玻璃纤维增强PPE,确保优异的耐化学腐蚀性能。 噪音水平低于70dB(A)(1米距离),储运温度-10~50℃,相对湿度无冷凝。精确计量可在30%~100%冲程范围内调节。 型号命名规则清晰:前两位数字表示最大背压(bar),后两位表示额定流量(L/h)。例如CNPB1601代表16 bar下流量约1.1 L/h。连接方式、电气配置、控制类型和附件均可按需选配,满足多样化应用场景需求。
售后保障
商品(50000)
手机社区
0
电话号码
13817527088
置顶