登录
注册
购物车
(
0
)
最近加入
[name]
¥
[price]
x
[num]
立即结算(
0
)
合计:¥
0.00
共
0
件商品
全部分类
水质监测仪
PH/ORP仪表
电导/电阻仪
溶氧和余氯
仪表电极常用配件
其它仪器仪表
水质分析仪
多参数水质监测仪
浊度计/浓度计
天平仪器
滴定仪
电子秤
流量液位压力
流量计
压力表
液位计
温度变送器
其他仪表配件
压力变送器
其他变送器
物位计
计量泵
电磁隔膜计量泵
机械隔膜计量泵
柱塞式计量泵
液压隔膜计量泵
计量泵配件
其他类型计量泵
液体搅拌机
KD小型搅拌机
D型立式搅拌机
ML型慢速搅拌机
C型移动式搅拌机
其他搅拌器
气动隔膜泵
塑料气动隔膜泵
金属气动隔膜泵
食品级隔膜泵
电子级隔膜泵
隔膜泵配件
成套加药系统
循环水加药装置
RO反渗透装置
干粉投加装置
配电箱定制
非标系统订制
纯水设备
RO膜及膜壳
控制阀门
过滤产品
药箱和储罐
水处理耗材
其它产品
标准溶液
管路配件
泵类产品
螺杆泵
其它
变频器
鼓风机
水泵
离心泵
潜水泵
磁力泵
污水泵
自吸泵
管道泵
增压泵
其他类型泵
水质监测仪
流量液位压力
计量泵
液体搅拌机
气动隔膜泵
成套加药系统
纯水设备
计量泵
〉
电磁隔膜计量泵
〉 普罗名特计量泵CNPB1602工业电磁隔膜计量泵小流量流体输送加药泵
普罗名特计量泵CNPB1602工业电磁隔膜计量泵小流量流体输送加药泵
价格
¥0.00
市 场 价 格:
0.00
优 惠 价:
0.00
品 牌 名 称:
普罗名特
商 品 编 码:
规 格 型 号:
产 品 名 称:
备 注:
+
-
加入购物车
商品介绍
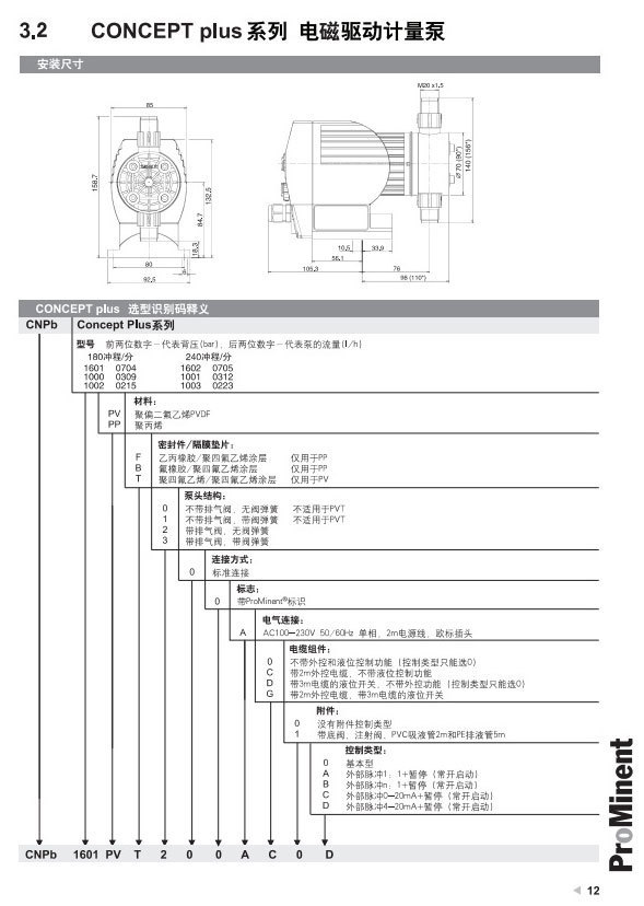
普罗名特(PROMINENT)CONCEPT Plus系列电磁驱动计量泵是一款高性能、低噪音的精密加药设备,适用于对含氮溶液进行开关或比例控制。该系列泵结构紧凑,安装简便,可直接安装于储罐、墙面或集成至研磨系统、汽车清洗系统、表面处理设备等多种应用场景。 产品支持手动调节冲程频率,也可通过外部控制系统接收信号实现自动化运行,具备良好的系统集成能力。其运行和安装成本低,维护便捷,适合中低流量、中低压力工况下的精确计量。 主要特点: - 流量范围:0.7~25.2 L/h(根据型号不同) - 背压范围:1.5~16 bar - 过流部件材质可选:泵头为PP或PVDF,密封件为EPDM/FPM/PTFE,阀球为陶瓷,隔膜为PTFE - 噪音水平:<70 dB(A) @ 1米距离 - 工作环境温度:-10℃~50℃,湿度不结露 - 精确计量范围:30%~100%冲程调节 - 支持外控输入(脉冲、4-20mA等),可选配液位控制功能 - 可配置自排气泵头,提升吸程性能 典型应用包括水处理、化学投加、电镀、清洗系统等行业。CONCEPT Plus系列以其高可靠性、耐腐蚀性和智能化控制选项,成为工业计量领域的优选解决方案。
售后保障
商品(50000)
手机社区
0
电话号码
13817527088
置顶