登录
注册
购物车
(
0
)
最近加入
[name]
¥
[price]
x
[num]
立即结算(
0
)
合计:¥
0.00
共
0
件商品
全部分类
水质监测仪
PH/ORP仪表
电导/电阻仪
溶氧和余氯
仪表电极常用配件
其它仪器仪表
水质分析仪
多参数水质监测仪
浊度计/浓度计
天平仪器
滴定仪
电子秤
流量液位压力
流量计
压力表
液位计
温度变送器
其他仪表配件
压力变送器
其他变送器
物位计
计量泵
电磁隔膜计量泵
机械隔膜计量泵
柱塞式计量泵
液压隔膜计量泵
计量泵配件
其他类型计量泵
液体搅拌机
KD小型搅拌机
D型立式搅拌机
ML型慢速搅拌机
C型移动式搅拌机
其他搅拌器
气动隔膜泵
塑料气动隔膜泵
金属气动隔膜泵
食品级隔膜泵
电子级隔膜泵
隔膜泵配件
成套加药系统
循环水加药装置
RO反渗透装置
干粉投加装置
配电箱定制
非标系统订制
纯水设备
RO膜及膜壳
控制阀门
过滤产品
药箱和储罐
水处理耗材
其它产品
标准溶液
管路配件
泵类产品
螺杆泵
其它
变频器
鼓风机
水泵
离心泵
潜水泵
磁力泵
污水泵
自吸泵
管道泵
增压泵
其他类型泵
水质监测仪
流量液位压力
计量泵
液体搅拌机
气动隔膜泵
成套加药系统
纯水设备
计量泵
〉
机械隔膜计量泵
〉 普罗名特计量泵MTMAH08530PPBT000S000电机驱动大流量机械隔膜泵
普罗名特计量泵MTMAH08530PPBT000S000电机驱动大流量机械隔膜泵
价格
¥0.00
市 场 价 格:
0.00
优 惠 价:
0.00
品 牌 名 称:
普罗名特
商 品 编 码:
规 格 型 号:
产 品 名 称:
备 注:
+
-
加入购物车
商品介绍
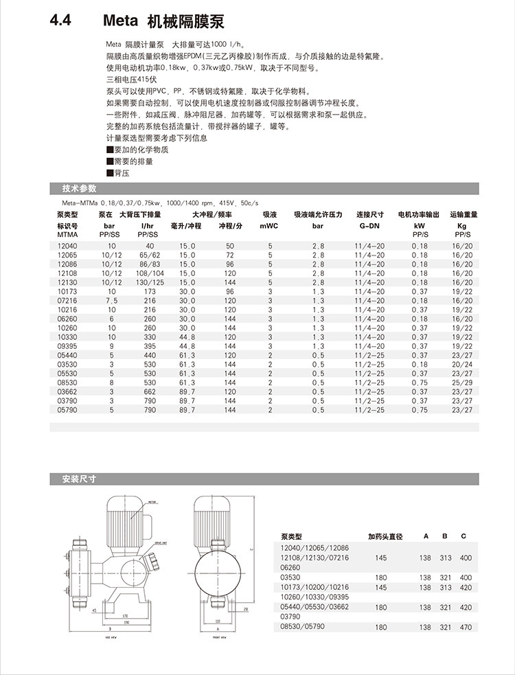
Meta机械隔膜计量泵是一款高性能、大排量的加药设备,最大流量可达1000 L/h,适用于工业水处理、化工、环保等领域。隔膜采用高质量织物增强三元乙丙橡胶(EPDM),接触介质侧覆以聚四氟乙烯(PTFE),具备优异的耐腐蚀性和使用寿命。泵头可选材质包括PVC、PP、不锈钢和特氟隆,满足不同化学药剂的输送需求。 驱动电机功率提供0.18kW、0.37kW和0.75kW三种规格,适配三相415V电源,运行稳定可靠。可通过电机速度控制器或伺服控制器实现自动控制,灵活调节冲程长度,确保精确加药。 支持多种附件集成,如减压阀、脉冲阻尼器、加药罐、流量计及搅拌罐等,可配置成完整的自动化加药系统。连接方式多样,涵盖螺纹、硬管接头及软管接头,适配PVC、PP、PVDF、不锈钢和PTFE等多种管材。 泵头密封材质可选PVC/FPM、PP/EPDM、PTFE+石墨、不锈钢+PTFE等组合,防护等级包括IP55标准型及ExdIIBT4、ExdIICT4防爆型,满足复杂工况要求。冲程调节方式为手动标准配置,也可选配4-20mA或0-20mA信号控制电机,实现远程自动化操作。 Meta系列计量泵广泛应用于酸碱投加、絮凝剂调节、消毒剂输送等场景,是高效、安全、可靠的流体加药解决方案。
售后保障
商品(50000)
手机社区
0
电话号码
13817527088
置顶