登录
注册
购物车
(
0
)
最近加入
[name]
¥
[price]
x
[num]
立即结算(
0
)
合计:¥
0.00
共
0
件商品
全部分类
水质监测仪
PH/ORP仪表
电导/电阻仪
溶氧和余氯
仪表电极常用配件
其它仪器仪表
水质分析仪
多参数水质监测仪
浊度计/浓度计
天平仪器
滴定仪
电子秤
流量液位压力
流量计
压力表
液位计
温度变送器
其他仪表配件
压力变送器
其他变送器
物位计
计量泵
电磁隔膜计量泵
机械隔膜计量泵
柱塞式计量泵
液压隔膜计量泵
计量泵配件
其他类型计量泵
液体搅拌机
KD小型搅拌机
D型立式搅拌机
ML型慢速搅拌机
C型移动式搅拌机
其他搅拌器
气动隔膜泵
塑料气动隔膜泵
金属气动隔膜泵
食品级隔膜泵
电子级隔膜泵
隔膜泵配件
成套加药系统
循环水加药装置
RO反渗透装置
干粉投加装置
配电箱定制
非标系统订制
纯水设备
RO膜及膜壳
控制阀门
过滤产品
药箱和储罐
水处理耗材
其它产品
标准溶液
管路配件
泵类产品
螺杆泵
其它
变频器
鼓风机
水泵
离心泵
潜水泵
磁力泵
污水泵
自吸泵
管道泵
增压泵
其他类型泵
水质监测仪
流量液位压力
计量泵
液体搅拌机
气动隔膜泵
成套加药系统
纯水设备
计量泵
〉
机械隔膜计量泵
〉 普罗名特机计量泵Duplex05790PPBT000S000工业水泵械隔膜式加药泵
普罗名特机计量泵Duplex05790PPBT000S000工业水泵械隔膜式加药泵
价格
¥0.00
市 场 价 格:
0.00
优 惠 价:
0.00
品 牌 名 称:
普罗名特
商 品 编 码:
规 格 型 号:
产 品 名 称:
备 注:
+
-
加入购物车
商品介绍
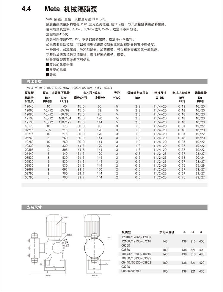
Meta机械隔膜计量泵是一款高性能、大排量的加药设备,最大流量可达1000升/小时,适用于各类工业流程中的精确投加需求。该泵采用高质量织物增强三元乙丙橡胶(EPDM)隔膜,介质接触面覆以聚四氟乙烯(PTFE),确保优异的耐化学腐蚀性和长期运行稳定性。 根据不同工况需求,泵头可选用PVC、PP、不锈钢或特氟隆材质,适配多种化学物质。驱动电机功率提供0.18kW、0.37kW和0.75kW三种规格,标准电压为三相415V,50Hz,满足不同扬程与流量要求。 支持手动调节冲程长度,也可选配电机速度控制器或伺服控制系统实现自动化调节,提升加药精度。可配套减压阀、脉冲阻尼器、加药罐、流量计及搅拌罐等附件,构建完整的智能加药系统。 型号如MTMa系列涵盖多种性能参数组合,通过标准化编码系统可快速识别泵头材质、隔膜类型、连接方式、电机配置等关键信息,便于选型与维护。广泛应用于水处理、化工、制药等领域,是高效、可靠、耐用的流体投加解决方案。
售后保障
商品(50000)
手机社区
0
电话号码
13817527088
置顶