登录
注册
购物车
(
0
)
最近加入
[name]
¥
[price]
x
[num]
立即结算(
0
)
合计:¥
0.00
共
0
件商品
全部分类
水质监测仪
PH/ORP仪表
电导/电阻仪
溶氧和余氯
仪表电极常用配件
其它仪器仪表
水质分析仪
多参数水质监测仪
浊度计/浓度计
天平仪器
滴定仪
电子秤
流量液位压力
流量计
压力表
液位计
温度变送器
其他仪表配件
压力变送器
其他变送器
物位计
计量泵
电磁隔膜计量泵
机械隔膜计量泵
柱塞式计量泵
液压隔膜计量泵
计量泵配件
其他类型计量泵
液体搅拌机
KD小型搅拌机
D型立式搅拌机
ML型慢速搅拌机
C型移动式搅拌机
其他搅拌器
气动隔膜泵
塑料气动隔膜泵
金属气动隔膜泵
食品级隔膜泵
电子级隔膜泵
隔膜泵配件
成套加药系统
循环水加药装置
RO反渗透装置
干粉投加装置
配电箱定制
非标系统订制
纯水设备
RO膜及膜壳
控制阀门
过滤产品
药箱和储罐
水处理耗材
其它产品
标准溶液
管路配件
泵类产品
螺杆泵
其它
变频器
鼓风机
水泵
离心泵
潜水泵
磁力泵
污水泵
自吸泵
管道泵
增压泵
其他类型泵
水质监测仪
流量液位压力
计量泵
液体搅拌机
气动隔膜泵
成套加药系统
纯水设备
计量泵
〉
机械隔膜计量泵
〉 普罗名特机械隔膜式计量泵MTMAH05790PPBT000S000大流量加药泵
普罗名特机械隔膜式计量泵MTMAH05790PPBT000S000大流量加药泵
价格
¥0.00
市 场 价 格:
0.00
优 惠 价:
0.00
品 牌 名 称:
新道茨
商 品 编 码:
规 格 型 号:
产 品 名 称:
备 注:
+
-
加入购物车
商品介绍
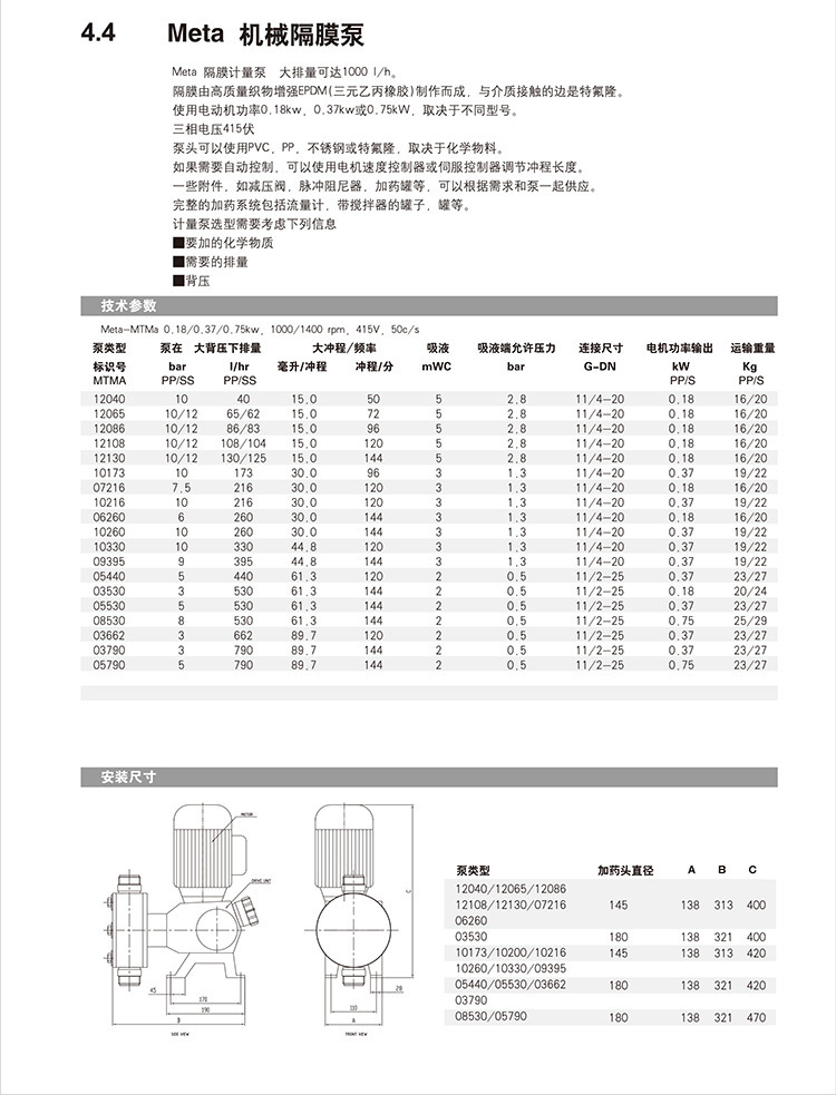
Meta机械隔膜计量泵是一款高性能、大排量的加药设备,最大流量可达1000升/小时。其核心部件采用高质量织物增强三元乙丙橡胶(EPDM)隔膜,介质接触面覆以特氟隆(PTFE),确保耐腐蚀性和长寿命。泵头可选材质包括PVC、PP、不锈钢和特氟隆,适应不同化学物料的输送需求。 该系列泵配备0.18kW、0.37kW或0.75kW三相电机,工作电压为415V,运行稳定可靠。通过电机速度控制器或伺服控制器可实现冲程长度调节,满足自动化控制要求。同时,可根据实际需求配套提供减压阀、脉冲阻尼器、加药罐等附件,并可集成包含流量计、搅拌器和储药罐在内的完整加药系统。 选型时需考虑化学物质类型、所需排量及系统背压。产品广泛应用于水处理、化工、环保等领域,具备高精度、高压力适应能力和灵活配置优势,是工业加药系统的理想选择。
售后保障
商品(50000)
手机社区
0
电话号码
13817527088
置顶