登录
注册
购物车
(
0
)
最近加入
[name]
¥
[price]
x
[num]
立即结算(
0
)
合计:¥
0.00
共
0
件商品
全部分类
水质监测仪
PH/ORP仪表
电导/电阻仪
溶氧和余氯
仪表电极常用配件
其它仪器仪表
水质分析仪
多参数水质监测仪
浊度计/浓度计
天平仪器
滴定仪
电子秤
流量液位压力
流量计
压力表
液位计
温度变送器
其他仪表配件
压力变送器
其他变送器
物位计
计量泵
电磁隔膜计量泵
机械隔膜计量泵
柱塞式计量泵
液压隔膜计量泵
计量泵配件
其他类型计量泵
液体搅拌机
KD小型搅拌机
D型立式搅拌机
ML型慢速搅拌机
C型移动式搅拌机
其他搅拌器
气动隔膜泵
塑料气动隔膜泵
金属气动隔膜泵
食品级隔膜泵
电子级隔膜泵
隔膜泵配件
成套加药系统
循环水加药装置
RO反渗透装置
干粉投加装置
配电箱定制
非标系统订制
纯水设备
RO膜及膜壳
控制阀门
过滤产品
药箱和储罐
水处理耗材
其它产品
标准溶液
管路配件
泵类产品
螺杆泵
其它
变频器
鼓风机
水泵
离心泵
潜水泵
磁力泵
污水泵
自吸泵
管道泵
增压泵
其他类型泵
水质监测仪
流量液位压力
计量泵
液体搅拌机
气动隔膜泵
成套加药系统
纯水设备
计量泵
〉
机械隔膜计量泵
〉 Prominent普罗名特计量泵Duplex09395PPBT000S000机械加药定量泵
Prominent普罗名特计量泵Duplex09395PPBT000S000机械加药定量泵
价格
¥0.00
市 场 价 格:
0.00
优 惠 价:
0.00
品 牌 名 称:
普罗名特
商 品 编 码:
规 格 型 号:
产 品 名 称:
备 注:
+
-
加入购物车
商品介绍
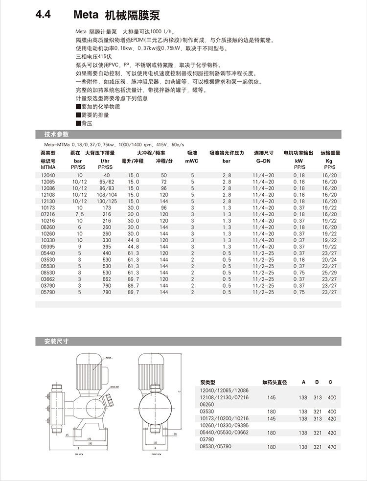
Meta机械隔膜计量泵是一款高性能的工业加药设备,最大排量可达1000 L/h,适用于各种严苛工况下的精确投加需求。其隔膜由高质量织物增强三元乙丙橡胶(EPDM)制成,与介质接触部分覆盖特氟隆材料,确保优异的耐腐蚀性和长寿命。 该系列计量泵提供0.18kW、0.37kW和0.75kW三种电机功率选项,适配三相415V电压,运行稳定可靠。泵头材质可根据输送化学物质的性质选择PVC、PP、不锈钢或全特氟隆,满足不同化工环境的需求。 支持自动控制功能,可通过电机速度控制器或伺服控制器调节冲程长度,实现精确流量控制。可选配减压阀、脉冲阻尼器、加药罐等附件,并可集成完整加药系统,包含流量计、搅拌罐等组件。 选型时需提供化学物质类型、所需排量、背压等参数,以确保最佳匹配。Meta机械隔膜泵凭借坚固结构、高精度计量和灵活配置,广泛应用于水处理、化工、制药等行业。
售后保障
商品(50000)
手机社区
0
电话号码
13817527088
置顶