登录
注册
购物车
(
0
)
最近加入
[name]
¥
[price]
x
[num]
立即结算(
0
)
合计:¥
0.00
共
0
件商品
全部分类
水质监测仪
PH/ORP仪表
电导/电阻仪
溶氧和余氯
仪表电极常用配件
其它仪器仪表
水质分析仪
多参数水质监测仪
浊度计/浓度计
天平仪器
滴定仪
电子秤
流量液位压力
流量计
压力表
液位计
温度变送器
其他仪表配件
压力变送器
其他变送器
物位计
计量泵
电磁隔膜计量泵
机械隔膜计量泵
柱塞式计量泵
液压隔膜计量泵
计量泵配件
其他类型计量泵
液体搅拌机
KD小型搅拌机
D型立式搅拌机
ML型慢速搅拌机
C型移动式搅拌机
其他搅拌器
气动隔膜泵
塑料气动隔膜泵
金属气动隔膜泵
食品级隔膜泵
电子级隔膜泵
隔膜泵配件
成套加药系统
循环水加药装置
RO反渗透装置
干粉投加装置
配电箱定制
非标系统订制
纯水设备
RO膜及膜壳
控制阀门
过滤产品
药箱和储罐
水处理耗材
其它产品
标准溶液
管路配件
泵类产品
螺杆泵
其它
变频器
鼓风机
水泵
离心泵
潜水泵
磁力泵
污水泵
自吸泵
管道泵
增压泵
其他类型泵
水质监测仪
流量液位压力
计量泵
液体搅拌机
气动隔膜泵
成套加药系统
纯水设备
计量泵
〉
机械隔膜计量泵
〉 Prominent普罗名特计量泵Meta系列工业机械隔膜泵大流量加药泵
Prominent普罗名特计量泵Meta系列工业机械隔膜泵大流量加药泵
价格
¥0.00
市 场 价 格:
0.00
优 惠 价:
0.00
品 牌 名 称:
新道茨
商 品 编 码:
规 格 型 号:
产 品 名 称:
备 注:
+
-
加入购物车
商品介绍
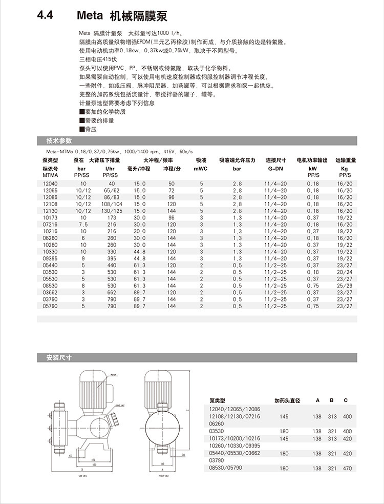
Meta机械隔膜计量泵是一款高性能、大排量的加药设备,最大流量可达1000 L/h,适用于各类工业水处理、化工及环保系统中的精确投加。泵隔膜采用高质量织物增强三元乙丙橡胶(EPDM),介质接触面覆以特氟隆(PTFE),确保优异的耐化学腐蚀性和长使用寿命。 该系列泵可根据工况选择PVC、PP、不锈钢或全特氟隆材质泵头,适应不同化学物料需求。驱动电机功率提供0.18kW、0.37kW和0.75kW三种规格,适配三相415V电源,运行稳定可靠。 支持自动控制功能,可通过电机调速器或伺服控制器调节冲程长度,实现精准流量控制。可选配减压阀、脉冲阻尼器、加药罐等附件,并可集成完整加药系统,包含搅拌罐、流量计等组件。 型号涵盖MTMA系列多个规格,如12040、12065、12130、10260、10330等,覆盖不同压力与流量需求,最高背压可达89.7 bar。安装尺寸标准化,便于现场维护与替换。是高效、耐用、灵活配置的理想计量泵解决方案。
售后保障
商品(50000)
手机社区
0
电话号码
13817527088
置顶