登录
注册
购物车
(
0
)
最近加入
[name]
¥
[price]
x
[num]
立即结算(
0
)
合计:¥
0.00
共
0
件商品
全部分类
水质监测仪
PH/ORP仪表
电导/电阻仪
溶氧和余氯
仪表电极常用配件
其它仪器仪表
水质分析仪
多参数水质监测仪
浊度计/浓度计
天平仪器
滴定仪
电子秤
流量液位压力
流量计
压力表
液位计
温度变送器
其他仪表配件
压力变送器
其他变送器
物位计
计量泵
电磁隔膜计量泵
机械隔膜计量泵
柱塞式计量泵
液压隔膜计量泵
计量泵配件
其他类型计量泵
液体搅拌机
KD小型搅拌机
D型立式搅拌机
ML型慢速搅拌机
C型移动式搅拌机
其他搅拌器
气动隔膜泵
塑料气动隔膜泵
金属气动隔膜泵
食品级隔膜泵
电子级隔膜泵
隔膜泵配件
成套加药系统
循环水加药装置
RO反渗透装置
干粉投加装置
配电箱定制
非标系统订制
纯水设备
RO膜及膜壳
控制阀门
过滤产品
药箱和储罐
水处理耗材
其它产品
标准溶液
管路配件
泵类产品
螺杆泵
其它
变频器
鼓风机
水泵
离心泵
潜水泵
磁力泵
污水泵
自吸泵
管道泵
增压泵
其他类型泵
水质监测仪
流量液位压力
计量泵
液体搅拌机
气动隔膜泵
成套加药系统
纯水设备
计量泵
〉
机械隔膜计量泵
〉 普罗名特机械隔膜计量泵Duplex05530PPBT000S000工业流体加药泵
普罗名特机械隔膜计量泵Duplex05530PPBT000S000工业流体加药泵
价格
¥0.00
市 场 价 格:
0.00
优 惠 价:
0.00
品 牌 名 称:
爱力浦
商 品 编 码:
规 格 型 号:
产 品 名 称:
备 注:
+
-
加入购物车
商品介绍
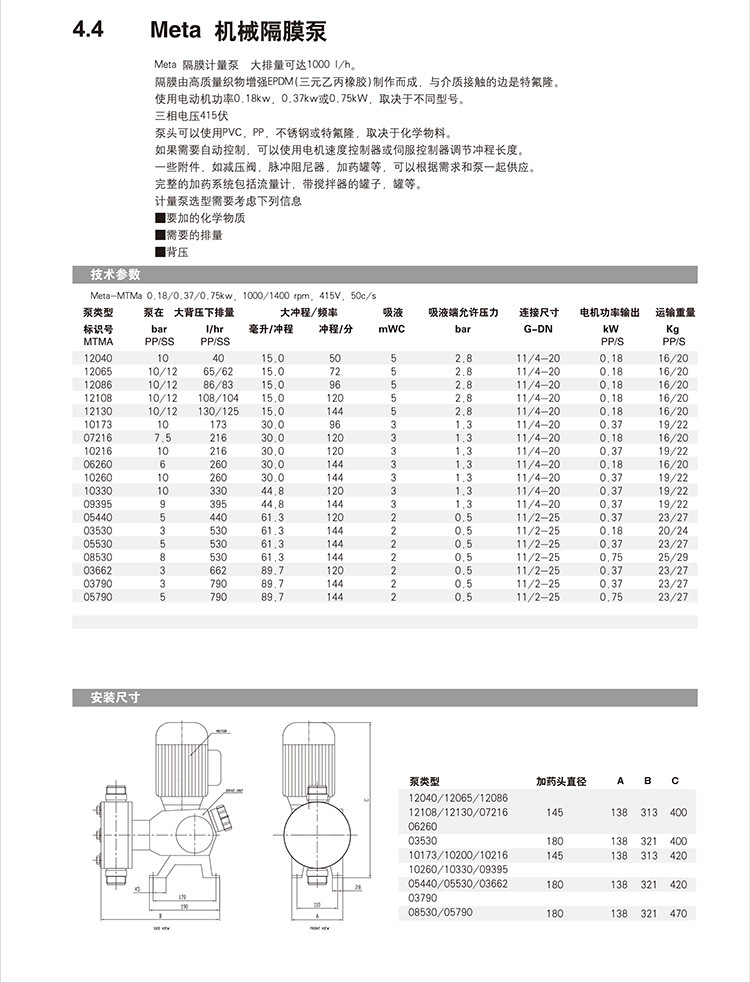
Meta MTMa系列机械隔膜计量泵是一款高性能、大排量的加药设备,最大流量可达1000升/小时,适用于各类工业流体精确投加场景。泵的核心部件采用高质量织物增强三元乙丙橡胶(EPDM)隔膜,介质接触面覆以特氟隆材料,具备优异的耐腐蚀性和使用寿命。 该系列泵可根据不同工况选择PVC、PP、不锈钢或全特氟隆材质的泵头,确保与各种化学物质兼容。驱动电机提供0.18kW、0.37kW和0.75kW三种功率选项,适配三相415V/50Hz电源,支持普通、防爆及变频电机配置,满足多样化的现场需求。 通过手动调节或配备伺服控制器实现冲程长度调节,配合电机速度控制,可精准调控加药量。系统还可集成减压阀、脉冲阻尼器、加药罐、流量计及搅拌装置,构成完整的自动化加药解决方案。 产品型号涵盖MTMa 12040至MTMa 08530等多种规格,具备高背压运行能力,最大可达61.3bar,安装尺寸设计紧凑,便于集成。适用于水处理、环保、化工、制药等行业中的酸碱投加、絮凝剂输送等关键工艺环节。
售后保障
商品(50000)
手机社区
0
电话号码
13817527088
置顶