登录
注册
购物车
(
0
)
最近加入
[name]
¥
[price]
x
[num]
立即结算(
0
)
合计:¥
0.00
共
0
件商品
全部分类
水质监测仪
PH/ORP仪表
电导/电阻仪
溶氧和余氯
仪表电极常用配件
其它仪器仪表
水质分析仪
多参数水质监测仪
浊度计/浓度计
天平仪器
滴定仪
电子秤
流量液位压力
流量计
压力表
液位计
温度变送器
其他仪表配件
压力变送器
其他变送器
物位计
计量泵
电磁隔膜计量泵
机械隔膜计量泵
柱塞式计量泵
液压隔膜计量泵
计量泵配件
其他类型计量泵
液体搅拌机
KD小型搅拌机
D型立式搅拌机
ML型慢速搅拌机
C型移动式搅拌机
其他搅拌器
气动隔膜泵
塑料气动隔膜泵
金属气动隔膜泵
食品级隔膜泵
电子级隔膜泵
隔膜泵配件
成套加药系统
循环水加药装置
RO反渗透装置
干粉投加装置
配电箱定制
非标系统订制
纯水设备
RO膜及膜壳
控制阀门
过滤产品
药箱和储罐
水处理耗材
其它产品
标准溶液
管路配件
泵类产品
螺杆泵
其它
变频器
鼓风机
水泵
离心泵
潜水泵
磁力泵
污水泵
自吸泵
管道泵
增压泵
其他类型泵
水质监测仪
流量液位压力
计量泵
液体搅拌机
气动隔膜泵
成套加药系统
纯水设备
计量泵
〉
机械隔膜计量泵
〉 Prominent普罗名特机械计量泵MTMAH09395PPBT000S000加药隔膜泵
Prominent普罗名特机械计量泵MTMAH09395PPBT000S000加药隔膜泵
价格
¥0.00
市 场 价 格:
0.00
优 惠 价:
0.00
品 牌 名 称:
普罗名特
商 品 编 码:
规 格 型 号:
产 品 名 称:
备 注:
+
-
加入购物车
商品介绍
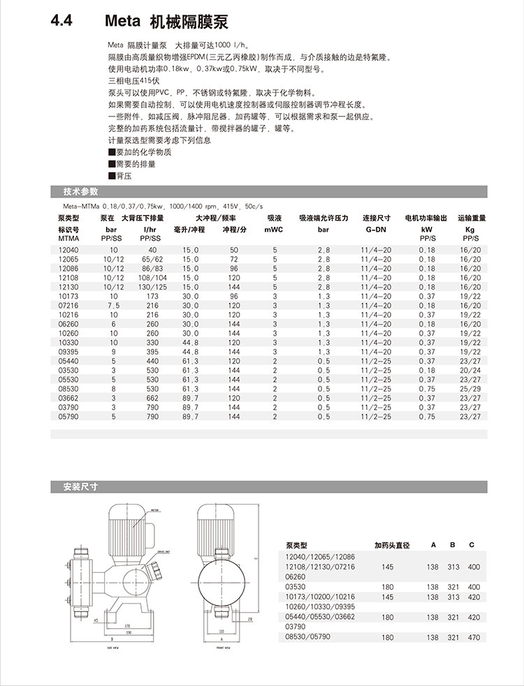
Meta机械隔膜计量泵(MTMa系列)是一款高性能、大排量的工业计量泵,最大流量可达1000 L/h,适用于各种严苛工况下的精确加药应用。泵的核心部件采用高质量织物增强三元乙丙橡胶(EPDM)隔膜,介质接触面覆以特氟隆材料,具备优异的耐化学腐蚀性和长期运行稳定性。 该系列泵可配备0.18kW、0.37kW或0.75kW三相电机,工作电压为415V,支持多种驱动频率,确保在不同背压条件下实现高效输送。泵头材质可选PVC、PP、不锈钢或全特氟隆,适应各类腐蚀性化学品处理需求。 支持通过电机速度控制器或伺服控制器调节冲程长度,实现精准流量控制。可根据实际需要配置减压阀、脉冲阻尼器、加药罐等附件,并可集成完整的加药系统,包含搅拌罐、流量计等组件。 广泛应用于水处理、化工、环保等领域,是可靠、耐用且易于维护的理想加药设备。选型时请提供所需药剂类型、流量要求及系统背压等参数,以确保最佳匹配。
售后保障
商品(50000)
手机社区
0
电话号码
13817527088
置顶