登录
注册
购物车
(
0
)
最近加入
[name]
¥
[price]
x
[num]
立即结算(
0
)
合计:¥
0.00
共
0
件商品
全部分类
水质监测仪
PH/ORP仪表
电导/电阻仪
溶氧和余氯
仪表电极常用配件
其它仪器仪表
水质分析仪
多参数水质监测仪
浊度计/浓度计
天平仪器
滴定仪
电子秤
流量液位压力
流量计
压力表
液位计
温度变送器
其他仪表配件
压力变送器
其他变送器
物位计
计量泵
电磁隔膜计量泵
机械隔膜计量泵
柱塞式计量泵
液压隔膜计量泵
计量泵配件
其他类型计量泵
液体搅拌机
KD小型搅拌机
D型立式搅拌机
ML型慢速搅拌机
C型移动式搅拌机
其他搅拌器
气动隔膜泵
塑料气动隔膜泵
金属气动隔膜泵
食品级隔膜泵
电子级隔膜泵
隔膜泵配件
成套加药系统
循环水加药装置
RO反渗透装置
干粉投加装置
配电箱定制
非标系统订制
纯水设备
RO膜及膜壳
控制阀门
过滤产品
药箱和储罐
水处理耗材
其它产品
标准溶液
管路配件
泵类产品
螺杆泵
其它
变频器
鼓风机
水泵
离心泵
潜水泵
磁力泵
污水泵
自吸泵
管道泵
增压泵
其他类型泵
水质监测仪
流量液位压力
计量泵
液体搅拌机
气动隔膜泵
成套加药系统
纯水设备
气动隔膜泵
〉
塑料气动隔膜泵
〉 WILDEN威尔顿气动隔膜泵P.025系列工程塑料耐酸碱流体输送污水泵
WILDEN威尔顿气动隔膜泵P.025系列工程塑料耐酸碱流体输送污水泵
价格
¥0.00
市 场 价 格:
0.00
优 惠 价:
0.00
品 牌 名 称:
威尔顿
商 品 编 码:
规 格 型 号:
产 品 名 称:
备 注:
+
-
加入购物车
商品介绍
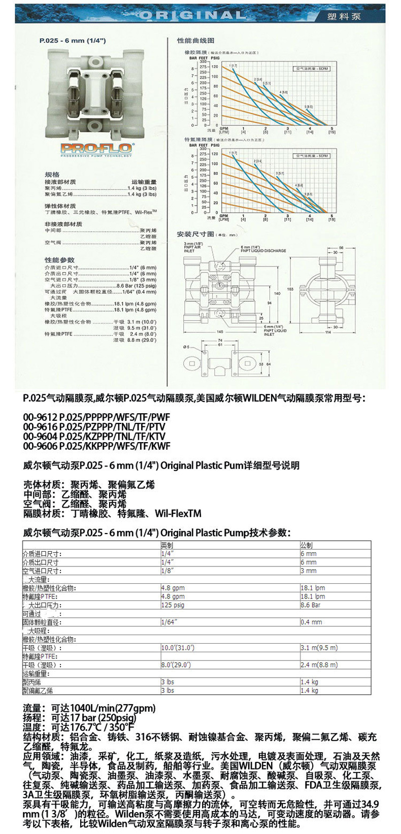
威尔顿(WILDEN)P.025气动隔膜泵是一款高性能的塑料气动双隔膜泵,广泛应用于化工、污水处理、电镀、食品制药等腐蚀性或特殊介质输送场景。该泵以压缩空气为动力源,具有自吸能力强、可空运行、无电火花、免润滑等优点,确保在恶劣工况下稳定运行。 产品特点: - 壳体材质:聚丙烯(PP)、聚偏氟乙烯(PVDF),耐腐蚀性强 - 隔膜材质可选:丁腈橡胶、三元橡胶、特氟隆PTFE、Wil-Flex™ - 进出口尺寸:1/4" (6mm),空气口1/8" (3mm) - 最大流量:18.1 LPM (4.8 GPM) - 最大出口压力:8.6 bar (125 psig) - 可通过最大固体颗粒直径:0.4mm (1/64") - 干吸高度:最高3.1m(橡胶隔膜),湿吸可达9.5m - 重量轻、体积小、便于移动和安装 - 无需电力驱动,本质安全,适用于防爆环境 采用Pro-Flo空气分配系统,提升能效与运行稳定性。适用于输送高粘度、含颗粒、腐蚀性液体,如酸碱溶液、溶剂、涂料、污泥等。是替代传统离心泵和转子泵的理想选择。
售后保障
商品(50000)
手机社区
0
电话号码
13817527088
置顶