登录
注册
购物车
(
0
)
最近加入
[name]
¥
[price]
x
[num]
立即结算(
0
)
合计:¥
0.00
共
0
件商品
全部分类
水质监测仪
PH/ORP仪表
电导/电阻仪
溶氧和余氯
仪表电极常用配件
其它仪器仪表
水质分析仪
多参数水质监测仪
浊度计/浓度计
天平仪器
滴定仪
电子秤
流量液位压力
流量计
压力表
液位计
温度变送器
其他仪表配件
压力变送器
其他变送器
物位计
计量泵
电磁隔膜计量泵
机械隔膜计量泵
柱塞式计量泵
液压隔膜计量泵
计量泵配件
其他类型计量泵
液体搅拌机
KD小型搅拌机
D型立式搅拌机
ML型慢速搅拌机
C型移动式搅拌机
其他搅拌器
气动隔膜泵
塑料气动隔膜泵
金属气动隔膜泵
食品级隔膜泵
电子级隔膜泵
隔膜泵配件
成套加药系统
循环水加药装置
RO反渗透装置
干粉投加装置
配电箱定制
非标系统订制
纯水设备
RO膜及膜壳
控制阀门
过滤产品
药箱和储罐
水处理耗材
其它产品
标准溶液
管路配件
泵类产品
螺杆泵
其它
变频器
鼓风机
水泵
离心泵
潜水泵
磁力泵
污水泵
自吸泵
管道泵
增压泵
其他类型泵
水质监测仪
流量液位压力
计量泵
液体搅拌机
气动隔膜泵
成套加药系统
纯水设备
水质监测仪
〉
溶氧和余氯
〉 联测在线溶解氧检测仪 水产养殖厌氧池污水含氧量分析溶氧仪厂家
联测在线溶解氧检测仪 水产养殖厌氧池污水含氧量分析溶氧仪厂家
价格
¥0.00
市 场 价 格:
0.00
优 惠 价:
0.00
品 牌 名 称:
阔思
商 品 编 码:
规 格 型 号:
产 品 名 称:
备 注:
+
-
加入购物车
商品介绍
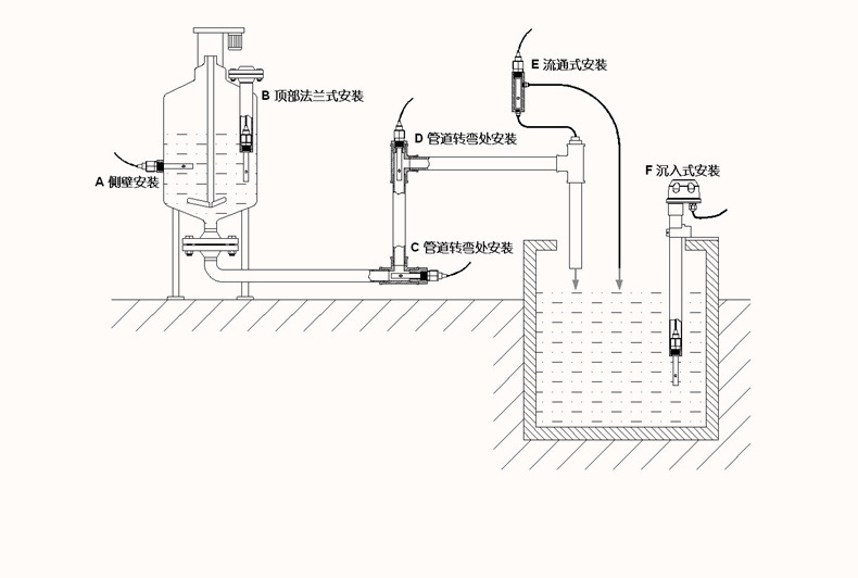
联测(Sinomeasure)专注水质分析仪表研发生产十余年,提供全系列在线溶解氧检测解决方案。产品涵盖100*100经典款、144*144大屏工业款溶氧仪(型号SIN-DY2900、SIN-DO8.0),支持溶解氧0-20mg/L、饱和度0-200%测量,具备温度、压力、盐度补偿功能。采用膜法(极谱法/原电池法)与荧光法两种测量原理,适配好氧池、厌氧池、曝气系统、河道监测、食品发酵等多种工况。数字电极支持RS485通讯,抗干扰能力强,维护周期长达60-90天。整机通过ISO9001认证,具备EMC电磁兼容性,防护等级高,支持中英文切换,广泛应用于娃哈哈、蒙牛、华为、中石油等大型企业。提供完整安装支架、接线方案及电极维护指导,确保长期稳定运行。
以上页面中数据,均由我司实验室提供,如有疑问,请联系旺旺客服
杭州联测自动化技术有限公司
售后保障
商品(50000)
手机社区
0
电话号码
13817527088
置顶