登录
注册
购物车
(
0
)
最近加入
[name]
¥
[price]
x
[num]
立即结算(
0
)
合计:¥
0.00
共
0
件商品
全部分类
水质监测仪
PH/ORP仪表
电导/电阻仪
溶氧和余氯
仪表电极常用配件
其它仪器仪表
水质分析仪
多参数水质监测仪
浊度计/浓度计
天平仪器
滴定仪
电子秤
流量液位压力
流量计
压力表
液位计
温度变送器
其他仪表配件
压力变送器
其他变送器
物位计
计量泵
电磁隔膜计量泵
机械隔膜计量泵
柱塞式计量泵
液压隔膜计量泵
计量泵配件
其他类型计量泵
液体搅拌机
KD小型搅拌机
D型立式搅拌机
ML型慢速搅拌机
C型移动式搅拌机
其他搅拌器
气动隔膜泵
塑料气动隔膜泵
金属气动隔膜泵
食品级隔膜泵
电子级隔膜泵
隔膜泵配件
成套加药系统
循环水加药装置
RO反渗透装置
干粉投加装置
配电箱定制
非标系统订制
纯水设备
RO膜及膜壳
控制阀门
过滤产品
药箱和储罐
水处理耗材
其它产品
标准溶液
管路配件
泵类产品
螺杆泵
其它
变频器
鼓风机
水泵
离心泵
潜水泵
磁力泵
污水泵
自吸泵
管道泵
增压泵
其他类型泵
水质监测仪
流量液位压力
计量泵
液体搅拌机
气动隔膜泵
成套加药系统
纯水设备
计量泵
〉
计量泵配件
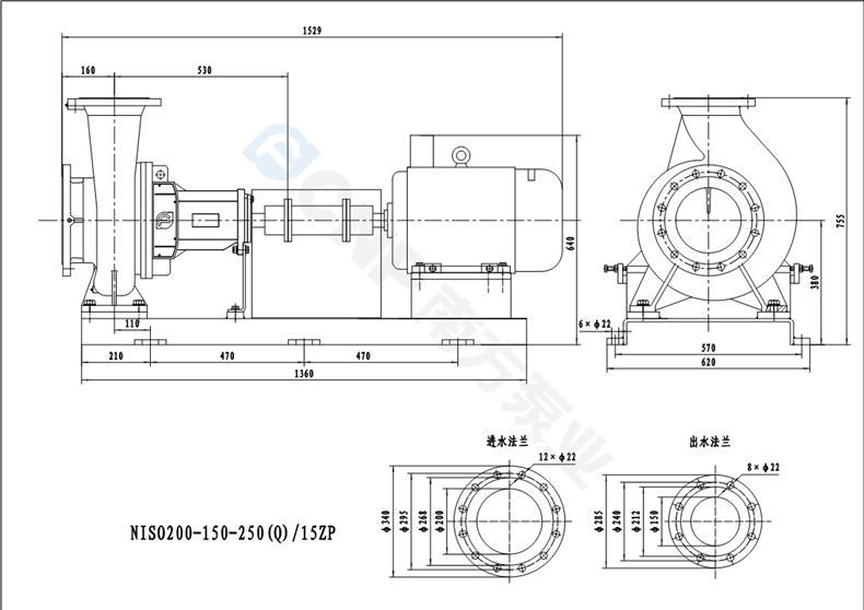
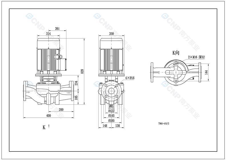
〉 南方泵业配件机械密封叶轮泵轴泵芯转子总成衬板泵体水封南方配件
南方泵业配件机械密封叶轮泵轴泵芯转子总成衬板泵体水封南方配件
价格
¥0.00
市 场 价 格:
0.00
优 惠 价:
0.00
品 牌 名 称:
南方泵业
商 品 编 码:
规 格 型 号:
产 品 名 称:
备 注:
+
-
加入购物车
商品介绍
南方泵业(FCNP)原厂正品机械密封及各类水泵配件,涵盖MS、TD、CHM、CDL、CDM、F、ZW、NIS/O/F、CDLK、ZS等全系列产品。产品包括机械密封、叶轮、导叶、泵轴、泵体、O形圈、防护板等核心部件,适配南方泵业各型号立式多级离心泵、卧式多级泵、排污泵及管道泵。所有配件均为原厂生产,质量可靠,提供发票,支持顺丰包邮。杭州直销中心直发,确保正品,广泛应用于工业、建筑、水处理等领域,是您维护与更换水泵配件的优选方案。
售后保障
商品(50000)
手机社区
0
电话号码
13817527088
置顶