登录
注册
购物车
(
0
)
最近加入
[name]
¥
[price]
x
[num]
立即结算(
0
)
合计:¥
0.00
共
0
件商品
全部分类
水质监测仪
PH/ORP仪表
电导/电阻仪
溶氧和余氯
仪表电极常用配件
其它仪器仪表
水质分析仪
多参数水质监测仪
浊度计/浓度计
天平仪器
滴定仪
电子秤
流量液位压力
流量计
压力表
液位计
温度变送器
其他仪表配件
压力变送器
其他变送器
物位计
计量泵
电磁隔膜计量泵
机械隔膜计量泵
柱塞式计量泵
液压隔膜计量泵
计量泵配件
其他类型计量泵
液体搅拌机
KD小型搅拌机
D型立式搅拌机
ML型慢速搅拌机
C型移动式搅拌机
其他搅拌器
气动隔膜泵
塑料气动隔膜泵
金属气动隔膜泵
食品级隔膜泵
电子级隔膜泵
隔膜泵配件
成套加药系统
循环水加药装置
RO反渗透装置
干粉投加装置
配电箱定制
非标系统订制
纯水设备
RO膜及膜壳
控制阀门
过滤产品
药箱和储罐
水处理耗材
其它产品
标准溶液
管路配件
泵类产品
螺杆泵
其它
变频器
鼓风机
水泵
离心泵
潜水泵
磁力泵
污水泵
自吸泵
管道泵
增压泵
其他类型泵
水质监测仪
流量液位压力
计量泵
液体搅拌机
气动隔膜泵
成套加药系统
纯水设备
水泵
〉
管道泵
〉 南方水泵 TD32/40/50/65/80/100管道循环泵增压泵空调循环水泵
南方水泵 TD32/40/50/65/80/100管道循环泵增压泵空调循环水泵
价格
¥0.00
市 场 价 格:
0.00
优 惠 价:
0.00
品 牌 名 称:
南方泵业
商 品 编 码:
规 格 型 号:
产 品 名 称:
备 注:
+
-
加入购物车
商品介绍
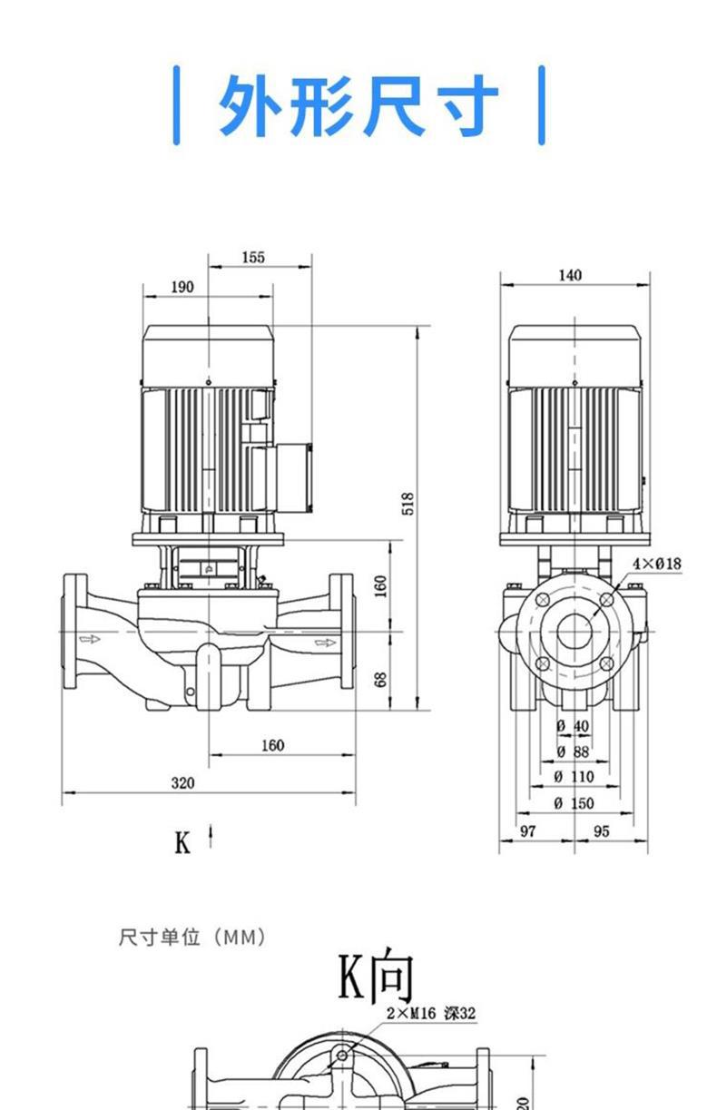
南方泵业TD系列立式管道泵,采用优质铜芯电机,动力强劲,运行稳定,经久耐用。产品具备无水空转保护功能,有效防止干运转损坏。外壳采用高精密喷漆工艺,防腐防锈,适应多种复杂工况。配备国标法兰接口,安装便捷,提升输送效率。内置散热风罩设计,通过风轮降温有效延长电机寿命。广泛适用于冶金、石油化工、食品加工、染料、污水处理及养殖池塘等场景。杭州直销中心供货,品质保障,服务可靠。
售后保障
商品(50000)
手机社区
0
电话号码
13817527088
置顶